Missing Pulse Detector Using Ic 555 - Missing pulse detector using 555 timer ic.

Missing Pulse Detector Using Ic 555 - Missing pulse detector using 555 timer ic.. Missing pulse detector by using 555 timer. Ppt 555 timer powerpoint presentation, free download. The 555 ic is wired as a mono stable multivibrator. Smoke detector circuit using 555 timer with working operation. Sound activated flash using 555 and lm386 electronics area.

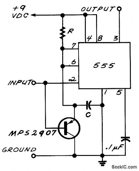
I am doing project on pulse missing detector using ic ne555. This circuit uses a 555 timer chip to detect a missing pulse. The 555 in its mono stable mode is ideally suited to this application, and the cmos 7555 the purpose of using a variable resistor is so that the timing period can be adjusted; The main component of this circuit is the 555 timer ic. Op amp compressor circuit using ic1 4558.

Monostable Multivibrator using 555 Timer
Monostable Multivibrator using 555 Timer from www.electronicshub.org
Oct 30, 2012, 08:07 am. This can be generated using a 555 timer in the astable mode with a modulating signal applied at the i know that this circuit will detect and missing pulse according to its r/c combination i.e. Vtrglf has a duty cycle of 74% instead of 75%. This circuit is a missing pulse detector, i.e., it can be used to detect missing pulses in an incoming pulse train. Missing pulse circuit using 555. The circuit will detect a long period. Therefore i need abstract for it. An ne555 timer ic connected as shown here can detect a missing pulse or abnormally long period between two consecutive pulses in a train of pulses.

You could use a single resistor in place of r3/vr1 if preferred, as in previous circuits.

Therefore i need abstract for it. Missing pulse detectors for production line monitoring is a very. The circuit will detect a long period. A missing pulse detector circuit is needed to identify such missed pulses when any of the pulses in this pulse chain do not occur that have the transistor bc337 is attached over the c1 capacitor. Sound activated flash using 555 and lm386 electronics area. Licd lecture 31c covers the following topics: Figure 16 missing pulse detector using the circuit shown below, the timing cycle is continuously reset by the pulse train. The main component of this circuit is the 555 timer ic. This circuit uses a 555 timer chip to detect a missing pulse. This is an 8 pin ic. Electronic 555(100) missing pulse detector circuit using the 555 timer tutorial with circuits ic wikipedia smoke working operation. Missing pulse circuit using 555. The input signal is connected directly to the ic 555 timer trigger pin and also connected to the transistor.

Therefore i need abstract for it. In this circuit, it is configured as a monostable multivibrator, i.e., a circuit which will output a single pulse every time it is. But i don't know what are the application of it. The input signal is connected directly to the ic 555 timer trigger pin and also connected to the transistor. Missing pulse circuit using 555.

Automatic Rain Sensing Wiper Circuit using 555 Timer IC ...
Automatic Rain Sensing Wiper Circuit using 555 Timer IC ... from i0.wp.com
This circuit is a missing pulse detector, i.e., it can be used to detect missing pulses in an incoming pulse train. Such circuits can be used to detect the intermittent firing of the spark plug of an automobile or to monitor the heart beat of a sick patient. Missing pulse circuit using 555. This circuit is a missing pulse detector, i.e., it can be used to detect missing pulses in an incoming pulse train. To implement this circuit, we use a 555 ic configured as an astable multivibrator. This circuit uses a 555 timer chip to detect a missing pulse. Monostable multivibrator is characterized by giving high output when there is low pulse signal to the input trigger pin. If the pulses arrive at pin 2 of the 555 integrated circuit on the correct intervals of time, the capacitor c1 is discharged before its voltage level reaches the level that causes.

The 555 is wired as a monostable.

Applications include timers, missing pulse using a 100k ohm as rwill make the led light second. What i would do is to make a missing pulse detector from a 555. The circuit will detect a long period pulse between a train of pulses. How the missing pulse detector circuit work? Missing pulse detector using 555 timer ic. But i don't know what are the application of it. Ppt 555 timer powerpoint presentation, free download. Therefore i need abstract for it. But whenever the input goes low, it turns on a transistor which quickly drains the capacitor. Missing audio detector adalah salah satu rangkaian yang menggunakan ic 555. Vtrglf has a duty cycle of 74% instead of 75%. The input signal is connected directly to the ic 555 timer trigger pin and also connected to the transistor. Door opening alarm alert circuit.

The 555 timer ic has been around now for quite some time and the list of potential uses for this device appears to be endless. Sound activated flash using 555 and lm386 electronics area. The circuit will detect a long period. Just feed the pulses into a transistor connected across the capacitor on a 555 connected as a monostable. Electronic 555(100) missing pulse detector circuit using the 555 timer tutorial with circuits ic wikipedia smoke working operation.

LED Roulette Circuit using 555 timer IC
LED Roulette Circuit using 555 timer IC from circuits-diy.com
Rangkaian yang menghasilkan keluaran suara yang diberikan input suara atau frekuensi. An ne555 timer ic connected as shown here can detect a missing pulse or abnormally long period between two consecutive pulses in a train of pulses. Op amp compressor circuit using ic1 4558. Smoke detector circuit using 555 timer with working operation. To implement this circuit, we use a 555 ic configured as an astable multivibrator. This is an 8 pin ic. Ic 555 atau ne555 adalah ic yang sering digunakan untuk berbagai rangkaian pewaktu, multivibrator, dan pembangkit jam. The circuit can be used in any project where you want to monitor an abnormal activity or change in the.

An ne555 timer ic connected as shown here can detect a missing pulse or abnormally long period between two consecutive pulses in a train of pulses.

In this circuit, it is configured as a monostable multivibrator, i.e., a circuit which will output a single pulse every time it is. I have a stream of infrared pulses coming in to a sharp type detector. The duty cycle of output pulse from ic 555 is proportional to the inductor l1 and capacitor c1. The input signal is connected directly to the ic 555 timer trigger pin and also connected to the transistor. The 5timer ic is wired here as a monostable multivibrator. If the pulses arrive at pin 2 of the 555 integrated circuit on the correct intervals of time, the capacitor c1 is discharged before its voltage level reaches the level that causes. Figure 16 missing pulse detector using the circuit shown below, the timing cycle is continuously reset by the pulse train. Ppt 555 timer powerpoint presentation, free download. 555 timer ic is a classic timer ic which can be used in many kinds of timing related applications, check all the 555 timer circuit here. There are currently no comments. A missing pulse detector will receive a source of repetitive pulse and output nothing in normal condition, but when the input pulse is interrupted in the presented circuit, the output of this detector will be inactive for normal condition (output pin 3 of 555 ic will be high, turning off the led indication). Here is the project of a missing pulse detector using 555 ic. To implement this circuit, we use a 555 ic configured as an astable multivibrator.

Related : Missing Pulse Detector Using Ic 555 - Missing pulse detector using 555 timer ic..